Diese Webseite verwendet Cookies. Mehr Info. OK

Geberit Mepla UP-Kugelhahn D 26

Hersteller: Geberit

products/small/gev_w_331738_20181024_163257.jpg
 
 
Artikelnummer: 49041573
Werksartikelnr.: 603003001

Preis

117,03 €
inkl. MwSt , zzgl. Versand

Verfügbarkeit ampel_gruen.png

Artikel auf Lager und versandfertig in 3-14 Tagen (Badmöbel in 2-4 Wochen).

Beschreibung

Villeroy&Boch Loop & Friends, Einbauwaschtisch, Sanitärporzellan,
Maße: Durchmesser: 340 mm, Rund, Außenseite glasiert, ohne Hahnlochbank, mit Überlauf, inkl. Ausschnittschablone, R1 Weiß Alpin CeramicPlus - Kugel und Grundkörper vollständig durchströmt - Mit UP-Drehbetätigung - Oberteil mit Kugel und Dichtungen austauschbar - Kugel aus PPSU - Unverpresst undicht Technische Eigenschaften
- Werkstoff: Rotguss (CuSn5Zn5Pb2-C)
- Werkstoff Dämmung: EPP
- Dämmstärke (mm): 10 mm
- Wärmeleitfähigkeit Dämmung (W/(m*K)): 0,035 W/(m*K)
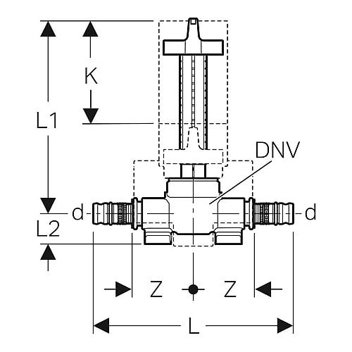
- d, D / Außendurchmesser (mm): 26 mm
- K / maximale Kürzung (cm): 7,3 cm
- L / Länge (cm): 15 cm
- Z / Z-Maß (cm): 4,2 cm
- DN / Nennweite: 20
- DNV / Nennweite Armatur: 20
- L1 / Länge (cm): 12,7 cm
- L2 / Länge (cm): 2,2 cm
- PN / Nenndruck (bar): 10 bar Zusätzlicher Lieferumfang - UP-Drehbetätigung - Spindelverlängerung - Bauschutz rund, kürzbar - Bauschutzstopfen mit Markierspitze

Kurzbeschreibung

Geberit Mepla UP-Kugelhahn D 26 mit Befestigung Nr. 603.003.00.1