Diese Webseite verwendet Cookies. Mehr Info. OK

Geberit Mepla Kreuzungsfitting

Hersteller: Geberit

products/small/geb_w_125491_20170925_151324.jpg
 
 
Artikelnummer: 49503410
Werksartikelnr.: 613314005

Preis

60,61 €
inkl. MwSt , zzgl. Versand

Verfügbarkeit ampel_gruen.png

Artikel auf Lager und versandfertig in 3-14 Tagen (Badmöbel in 2-4 Wochen).

Beschreibung

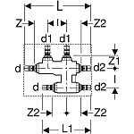
Verwendungszwecke - Für Heizungswasser - Für Kühlwasser ohne Frostschutzmittel - Für Kühlwasser mit Frostschutzmittel - Zum kreuzungsfreien Anschließen an zwei parallel verlegte Rohrleitungen - Ausschließlich für Heizung und Kühlung geeignet
- Verwendungsübersicht: Geberit Mepla Eigenschaften - Unverpresst undicht - O-Ring aus EPDM - Pressnippel mit transparenter Schutzkappe
Fabrikat: Geberit
Typ: Mepla
Artikel-Nr.: 613.314.00.5

Kurzbeschreibung

Geberit Mepla Kreuzungsfitting 613.314.00.5 m. Schutzbox 26x16x26 mm