Diese Webseite verwendet Cookies. Mehr Info. OK

GE FlowFit Flansch PN6, mit Presseinheit

Hersteller: Geberit

products/small/gev_w_1754010_20200309_161027.jpg
 
 
Artikelnummer: 49001596
Werksartikelnr.: 619616001

Preis

217,34 €
inkl. MwSt , zzgl. Versand

Verfügbarkeit ampel_gruen.png

Artikel auf Lager und versandfertig in 3-14 Tagen (Badmöbel in 2-4 Wochen).

Beschreibung

Technische Eigenschaften
- Werkstoff: Bleifreie Siliziumbronze (CuZn21Si3P)
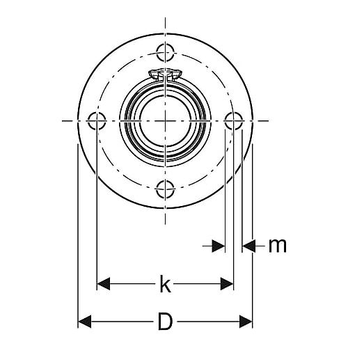
- d, D / Außendurchmesser (mm): 75 mm
- D / Außendurchmesser (cm): 16 cm
- di, D / Innendurchmesser (mm): 70 mm
- k / Flansch-Lochkreisdurchmesser (mm): 130 mm
- L / Länge (cm): 11,3 cm
- l / Länge Teilmaß (cm): 2,4 cm
- m / Schraubenlochdurchmesser (mm): 14 mm - n / Anzahl Schrauben Flanschverbindung
(St,): 4 St,
- Z / Z-Maß (cm): 5 cm
- DN / Nennweite: 65
- PN / Nenndruck (bar): 6 bar Zusätzlicher Lieferumfang -

Kurzbeschreibung

GE FlowFit Flansch PN6, mit Presseinheit SiBr d75-PN6