Diese Webseite verwendet Cookies. Mehr Info. OK

GE Pluvia Brandschutz für Dachwasser-

Hersteller: Geberit

products/small/gev_w_1842795_20210304_163538.jpg
 
 
Artikelnummer: 26000329
Werksartikelnr.: 359362001

Preis

423,47 €
inkl. MwSt , zzgl. Versand

Verfügbarkeit ampel_gruen.png

Artikel auf Lager und versandfertig in 3-14 Tagen (Badmöbel in 2-4 Wochen).

Beschreibung

MAG 275/9 X MAG 275-400/9 XV MAG 275-400/9 XW 25 l/s, bei Dachdurchführungen in Trapezdächern - Zum Schutz vor Rauch- und Feuerausbreitung - Für Dachentwässerung mit Druckströmung - Zum Anbinden von Dampfsperren aus Kunststoff oder Bitumen - Für gedämmte Dächer mit Dampfsperre Eigenschaften - Verwendbar nach DIN 18234-4 - Vormontiert - Anschlussstutzen direkt reduzierbar oder aufweitbar - Anschlussstutzen aus PE-HD, kürzbar Technische Eigenschaften
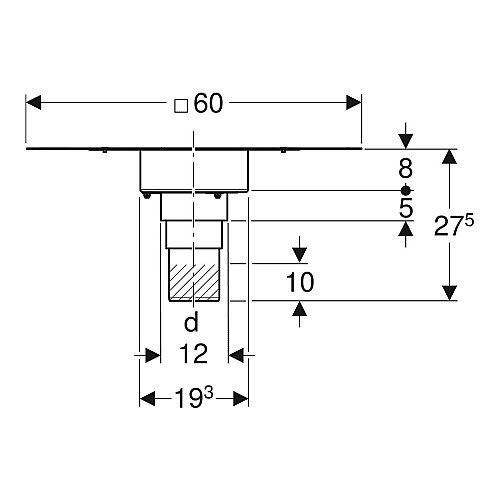
- d, D / Außendurchmesser (mm): 90 mm
- DN / Nennweite: 90
- Anschluss Abdichtung: CrNi-Stahl 1,4301 Zusätzlicher Lieferumfang - Geberit Pluvia Dampfsperrenanschluss d90 - Geberit Pluvia Befestigungsblech - Kondenswasserdämmung - Rohrschott90 Plus - Bauschutzdeckel

Kurzbeschreibung

GE Pluvia Brandschutz für Dachwasser- einlauf d90