Wir versenden ausschließlich innerhalb Deutschlands (ohne Inseln).
Die Versandkosten betragen bis zu einem bestellten Warenwert von 29,99 € pauschal 8,99 € pro Bestellung.
Ab einem Warenwert von 30,- € pro Bestellung versenden wir versandkostenfrei.
Die Lieferzeit beträgt für alle Artikel (außer Badmöbel und Duschabtrennungen) 1-3 Tage. Badmöbel und Duschabtrennungen haben ca. ein bis zwei Wochen Lieferzeit, je nach Fertigung.
Verfügbarkeit
Artikel auf Lager und versandfertig in 3-14 Tagen (Badmöbel in 2-4 Wochen).
Beschreibung
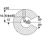
Verwendungszwecke - Für Duschwannen mit Ventilloch D 52 mm - Für Duschwannen ohne Überlauf Eigenschaften - Güteüberwacht nach EN 274-3 Lieferumfang - Ablaufventil - Geruchsverschluss - Anschlussbogen aus PE-HD, D 50 mm - Befestigungsmaterial Fabrikat: Geberit Artikel-Nr.: 150.058.00.1
Kurzbeschreibung
Geberit Duschwannen Ablauf 52 o. Überl. f. Duschw. o. Ablaufdeckel 150.058.00.1